SKU:
Evolution Aqua Cetus Sieve
Evolution Aqua Cetus Sieve
✖ OUT OF STOCKWARRANTY: Year(s)
To View Prices Login Or Apply For Account
Introducing the Cetus Sieve: A Cutting-Edge Pre-Filter
Experience the pinnacle of pre-filtration technology with the Cetus Sieve, a revolutionary bow screen pre-filter crafted using state-of-the-art rotational molding techniques. Setting new standards in quality and performance, this remarkable device stands as the unrivaled leader in its field. Designed to tackle mechanical waste in ponds with unparalleled efficiency, it outshines traditional bow screen technology in every way.
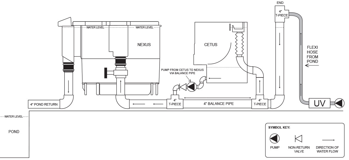
The Cetus Sieve is a versatile powerhouse that can be easily configured for either gravity-fed or pump-fed setups, boasting numerous advantages over its predecessors. Acting as a self-adjusting sieve, it offers you the flexibility to install it according to your specific needs. By effectively removing vast quantities of waste and debris before the water reaches your existing filtration system, it performs a crucial function known as "pre-filtering."
But the Cetus Sieve doesn't stop there—its capabilities extend even further. Acting as a standalone unit, it excels at clearing leaves and floating debris from your pond through its innovative surface skimmer. Leave no trace of unwanted materials in your pristine water.
Compatible with all filtration systems, the Cetus Sieve truly shines as the perfect pre-filter companion for the Evolution Aqua Nexus filter range. For gravity-fed systems, its built-in weir automatically adapts to the flow rate of your pump, ensuring seamless operation. (Maximum flow rate: 18,000 liters/hr). Furthermore, when integrated before any other biological or mechanical filter, the Cetus Sieve significantly extends the time between cleanings. By eliminating organic matter that consumes oxygen and releases ammonia and other compounds into the water, it enhances the biological processes at work.
Experience the next generation of pre-filtration with the Cetus Sieve—where innovation meets excellence, and your pond thrives in clarity and purity.
Unveiling the Inner Workings of the Cetus Sieve
Effortless Installation
When it comes to installing the Cetus Sieve, simplicity reigns supreme. Thanks to its innovative and patented Pondflow regulation system, this marvel of engineering offers a variable inlet height. This ingenious feature proves invaluable for gravity-fed setups, allowing the water levels within your pond to decrease without depriving the circulating pump of its vital water supply. With the Cetus Sieve, your skimmer or bottom drain can effortlessly handle copious amounts of waste, significantly reducing the need for frequent and extensive cleaning.
Operating Principles
Depending on your setup, the Cetus Sieve can be used in two different configurations. For pump-fed systems, the sieve is positioned above the water level of your pond, with the exit water gracefully descending through gravity into your primary filter. On the other hand, if you opt for gravity-fed operation, the Cetus Sieve takes its place at a level below the water surface. From there, the water is pumped to either a conventional filter positioned above the pond (such as the Nexus Eazy or Eazy Pod) or a pressurized filter.
Versatile Pre-Filtration
The Cetus Sieve, with its bow screen design, stands as an ideal pre-filter for any biological filtration system, including pressurized filters. It is highly recommended to incorporate the Cetus Sieve into your setup when utilizing pressurized filters to minimize the need for frequent backwashing and maintenance caused by heavy solids. By harnessing the pre-filtering capabilities of the Cetus Sieve, you can achieve optimal performance and longevity for your filtration system, while enjoying reduced upkeep.
With the Cetus Sieve, installation is a breeze, and its versatile functionality empowers your filtration system to operate at its best, handling waste with ease and efficiency. Embrace the power of pre-filtration and unlock a world of hassle-free pond maintenance.
Effortless Installation of the Cetus Sieve
With the Cetus Sieve, installation is a breeze, thanks to its innovative features and intelligent design. Equipped with the unique patented Pondflow regulation system, this remarkable device offers a variable inlet height specifically designed for gravity-fed setups. This ingenious system ensures that water levels within your pond can naturally decrease without starving the circulating pump of the vital water it needs to operate flawlessly. By implementing the Cetus Sieve, you create an environment where skimmers and bottom drains can effortlessly handle substantial amounts of waste, greatly reducing the need for frequent and laborious cleaning.
In a gravity-fed system, the water, after passing through the Cetus Sieve, needs to be pumped to a standard filter positioned above the pond level, such as the Nexus Eazy or Eazy Pod. Alternatively, it can be directed to a pressurized filter for optimal filtration performance.
For pump-fed systems, the Cetus Sieve is positioned above the water level of your pond, allowing the exit water to gracefully cascade into your main filter through the power of gravity. This innovative configuration ensures seamless water flow and efficient pre-filtration.
The Cetus Sieve, with its bow screen pre-filter design, is perfectly suited for pre-filtration in any biological filtration system, including pressurized filters. It is highly recommended to incorporate the Cetus Sieve into your setup when utilizing pressurized filters to minimize the need for excessive backwashing and maintenance caused by heavy solids. By introducing the Cetus Sieve as a pre-filter, you enhance the longevity and performance of your entire filtration system.
Enjoy the simplicity and effectiveness of installing the Cetus Sieve, and let it revolutionize the way you maintain and optimize your pond's water quality.
| Model | Max. flow rate | Inlet - Gravity Fed | Inlet - Pump Fed | Outlet - Gravity Fed | Outlet - Pump Fed |
| 18,000 Litres/hr 4,000 UK Gallons/hr 4,755 US Gallons/hr |
110mm/4" | 50mm/1½" | 1½" | 3" |
Shipping
Shipping
Fast and Reliable Delivery Service for Your Convenience
At SKS Wholesale, we understand that timely delivery is crucial for your business. That's why we are committed to providing you with a quality, professional service that ensures your products reach you swiftly and efficiently.
Delivery Charges:
- For non-bulky items under 1.5mtrs (including bulbs & liquids), the delivery charge is £9.50 + VAT for the first 20kg (additional 28p per kilo after 20kg).
- Pipework and Oversized Parcels over 1.5mtrs have a delivery charge of £16.00 + VAT for the first 20kg (additional 36p per kilo after 20kg). Click HERE to view our Pipe Delivery Calculator(England & Wales) or HERE for Mainland Scotland.
- If your item(s) can fit a 5kg Courier pack and do not contain liquids, they can be shipped for £6.50 + VAT.
- For item(s) that fit a 1kg Mail pack and do not contain liquids, the shipping cost is £5.50 + VAT.
- Bulky items such as drum or bead filters require pallet shipping, starting from £55.00 + VAT.
- Non-bulky orders to mainland UK over £1000 Excluding VAT will be shipped for free, up to a value of £55.00.
- Orders going to remote places such as the Scottish Highlands and Northern Ireland may have different rates (please contact us for details).
- To ensure your privacy, all orders will be shipped with unbranded packaging, without any marketing material.
We are dedicated to providing a fast delivery service and aim to dispatch your orders as quickly as possible. However, please note that while we strive to meet delivery expectations, it is important to understand that delivery times are not guaranteed and should not be solely relied upon. SKS Wholesale cannot accept responsibility for any delays that may result in job disruptions or hold-ups.
Placing an order is simple and convenient:
- Telephone: Give us a call, provide the product code and details, and our friendly team will assist you in placing your order.
- Online Store: Visit skswholesale.co.uk, browse our wide range of products, and place your order online through our secure platform.
- Email: Send us an email with your details and the product code, and we will process your order promptly.
If you have any questions regarding delivery times or costs, please don't hesitate to contact us. We are here to ensure a smooth and hassle-free experience for you.
At SKS Wholesale, we prioritize your satisfaction and are committed to providing reliable delivery services for all your wholesale needs.
**Although we try our best to provide a fast delivery service, this is not a guaranteed service and should not be replied upon. SKS Wholesale can accept no responsibility for delayed orders that result in jobs being held up or disrupted.**
Returns
Returns
Welcome to SKS Wholesale's Return Centre. If you need to return an item to us due to damage, warranty claims, or any other reason, we have provided a simple and convenient return form for you to complete. Please carefully read and follow the instructions below to ensure a smooth return process:
- Complete the Form: Fill out the form below with all the required information. Make sure to provide accurate details to expedite the return process.
- Unique Returns Number: Upon submitting the form, a unique returns number will be generated for you. This returns number is crucial and serves as YOUR personal identifier for the return. Please make a note of this number and keep it safe.
- Include the Returns Number: When packaging the item for return, remember to include the generated returns number along with the product. This allows our dedicated team to efficiently process and track your return.
- One Form, One Code: Please note that only one form should be completed per item returned. Each item requires its own unique returns number. If you are returning multiple items, kindly fill out a separate form for each one.
- Submitting the Form: Once you have completed the form and obtained the unique returns number, click the "Submit" button at the bottom of the page to send us your return request.
- Return the goods: Please send all returns to: SKS Wholesale Limited, Beechcroft, 47 Waterloo Road, Hainford, Norwich, Norfolk, NR10 3AX
If you have any questions or need assistance with the return process, our friendly customer support team is here to help. Feel free to reach out to us via phone or email and we will guide you through the necessary steps.
Thank you for choosing SKS Wholesale. We appreciate your cooperation and look forward to assisting you with your return.
Items sent back to us without this form will not be looked at. SKS does NOT cover the cost of returning goods, SKS May refund the cost of returned goods if/when they are deemed to be Faulty & under Warranty
**IMPORTANT** As the dealer/supplier/installer it is your duty to inspect the
product prior to returning it to us. You must check for user error/misuse or lack of
maintenance. If a product is returned to us and simply requires cleaning or
servicing you will be charged for us to do this and for any carriage charges
incurred.

Product guide
Our extensive product guide will give you all the details and product code you need to place your order.
-
Stock Levels
At SKS Wholesale, our stock levels are updated throughout the day so you can buy with confidence. Our commitment to providing real-time updates ensures that the information you see on our website is always accurate and current.
-
Contact Us
We value our customers and strive to provide excellent customer service. Our knowledgeable and friendly team are available via email and telephone, to assist with your orders or questions about our products.
-
Open a Trade Account
We make it easy to open a trade account with us. Simply complete our trade application form, and our account manager will be in touch with you shortly. As an account holder, you'll enjoy a range of benefits, including access to our extensive product range, competitive pricing, and support from our expert team.
















